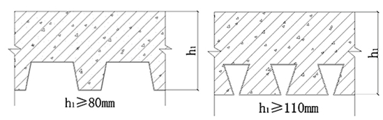
眾多試驗表明,組合壓型鋼板樓承板在滿足構造的要求下,底部不配筋,而頂部按規程要求配有構造鋼筋的情況下,只要滿足一定的混凝土厚度,就可以達到規范防火要求。《高層民用建筑鋼結構技術規程》樓板的耐火極限1.5h,結合英國BS 5950 Part18的相應規定,組合壓型鋼板樓承板的混凝土厚度h如圖所示。

*耐火極限為1.5h時組合樓板的厚度
根據鋼板厚度,組合壓型鋼板樓承板達到不同耐火極限時的混凝土厚度見下表
耐火厚度表一
混凝土類型 | 不同耐火等級混凝土的最小厚度(mm) | |||||
30min | 60min | 90min | 120min | 180min | 240min | |
普通混凝土 | 60 | 70 | 80 | 90 | 115 | 130 |
輕質混凝土 | 50 | 60 | 70 | 80 | 100 | 115 |
*開口型樓承板,其鋼板上的混凝土厚度不應小于表一數值
耐火厚度表二
混凝土類型 | 不同耐火等級混凝土的最小厚度(mm) | |||||
30min | 60min | 90min | 120min | 180min | 240min | |
普通混凝土 | 90 | 90 | 110 | 125 | 150 | 170 |
輕質混凝土 | 90 | 90 | 105 | 115 | 135 | 150 |
*閉口型、縮口型樓承板總厚度不得小于表二數值